



Module điều khiển động cơ L293D là Shield mở rộng cho Arduino, tương thích với board Arduino Uno R3, Arduino Leonado, Arduino Mega 2560.
Module điều khiển động cơ L293D sử dụng 2 IC cầu H – L293D và 1 IC logic 74HC595 điều khiển. Do đó, shield này có thể điều khiển nhiều loại motor khác nhau với mức điện áp lên đến 36V, dòng tối đa 600mA mỗi kênh điều khiển.
Các thành phần Motor Control Shield L293D Arduino có thể điều khiển:

Motor Control Shield L293D Arduino có sẵn các điện trở nối GND nhằm tránh các motor tự quay lúc khởi động và nút RESET để khởi động lại board Arduino mà nó đang cắm vào.
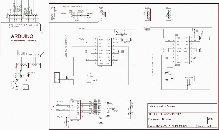
Sơ đồ nguyên lý Motor Control Shield L293D Arduino:

Các chân trên Shield được kết nối với board Arduino như sau:
Trên Shield có 1 jump màu vàng PWR được sử dụng: Nếu kết nối nguồn ngoài cho board Arduino thông qua Jack DC (vd pin 9V) thì nguồn nuôi motor được lấy luôn từ jack này, không cần nối nguồn với EXT_PWR. Nếu ngắt jumper, bạn cần nối nguồn riêng vào EXT_PWR để nuôi Motor.

Dưới đây là chương trình sử dụng Arduino Uno R3 và Motor Control Shield L293D Arduino điều khiển động cơ DC tại kênh M2 và Động cơ Servo:
Trước tiên các bạn download và cài đặt thư viện AFMotor .
Điều khiển Động cơ DC:

#include <AFMotor.h> AF_DCMotor motor(2, MOTOR12_64KHZ); // tạo động cơ #2, 64KHz pwm void setup() { Serial.begin(9600); // mở cổng Serial monitor 9600 bps Serial.println("Hello my racing"); motor.setSpeed(255); // chọn tốc độ maximum 255`/255 } void loop() { Serial.print("tien"); motor.run(FORWARD); // động cơ tiến delay(1000); Serial.print("lui"); motor.run(BACKWARD); // động cơ lùi delay(1000); Serial.print("tack"); motor.run(RELEASE); // dừng động cơ delay(1000); } Điều khiển Động cơ Servo:
Trên Sheild có 2 vị trí để nối tương ứng với 2 Servo, cắm đúng thứ tự GND(-), VCC(+), Signal(S).

#include <AFMotor.h> #include <Servo.h> int i; Servo servo1; void setup() { Serial.begin(9600); // mở cổng monitor 9600 bps Serial.println("Test servo!"); servo1.attach(9); // Khai báo chân servo } void loop() { for (i=0; i<255; i++) { // chạy từ 0 đến 255 giá trị servo1.write(i); delay(3); // đợi 3 mili dây } for (i=255; i!=0; i--) { servo1.write(i-255); delay(3); } }Giá sản phẩm trên Tiki đã bao gồm thuế theo luật hiện hành. Bên cạnh đó, tuỳ vào loại sản phẩm, hình thức và địa chỉ giao hàng mà có thể phát sinh thêm chi phí khác như phí vận chuyển, phụ phí hàng cồng kềnh, thuế nhập khẩu (đối với đơn hàng giao từ nước ngoài có giá trị trên 1 triệu đồng).....
| Thương hiệu | OEM |
|---|---|
| SKU | 3299179565060 |
điều khiển quạt mitsubishi mạch hạ áp arduino uno r3 adruino mạch sạc pin 18650 ardunio uno r3 arduino mạch băm xung kích cá cơ sim ghép mạch sạc dự phòng tụ quạt arduino uno cảm biến ánh sáng tắt mở đèn cảm biến cảm biến nhiệt độ công tắc cảm biến tiệm cận module cảm biến cho arduino bộ mạch điều tốc mạch tăng âm thanh bluetooth mạch âm thanh bluetooth mạch loa bluetooth mạch bluetooth mạch khuếch đại âm thanh 200w module cảm biến chạm ttp223 module bluetooth module bluetooth hc bo mạch khuếch đại mini mach khuech dai am thanh class d tpa3116d2 cong suat 120w120w công tắc cảm bién ánh sáng mạch chuyển tiếp tín hiệu